
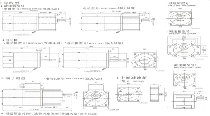
可逆電機除了具有瞬時改變旋轉方向這一特點外,其他與普通電機一樣,要用電容來連接運行的單相誘導電動機。因此旋轉速度和扭矩的特性基本相似,但是可逆電機為了提高瞬間轉換正反轉功能加大了啟動扭矩,所以啟動扭矩比普通異步電機的啟動扭矩要大。
可逆電機運行時間和溫度上升
雖然說明書上標明額定運轉時間為30分鐘,但是短時間、間歇性地運轉時根據運轉條件不同而運轉時間也不同??赡骐姍C在短時間、間歇性使用的時候,電機的啟動、轉換運轉方向的時候電流較大,因此電機升溫很快,但是把停止運轉時間設定長一點,使電機自然冷卻,這樣能夠有效地抑制電機的溫度上升。
電機表面溫度是電機上升的溫度加運轉環境溫度的值。一般情況下電機外殼的溫度在90℃一下并考慮到線圈的絕緣等級,可以連續運轉,但是軸承的壽命變短。





