
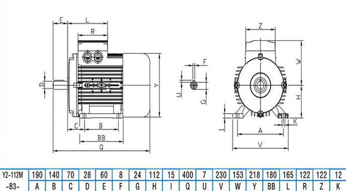
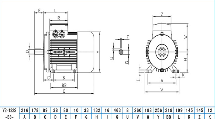
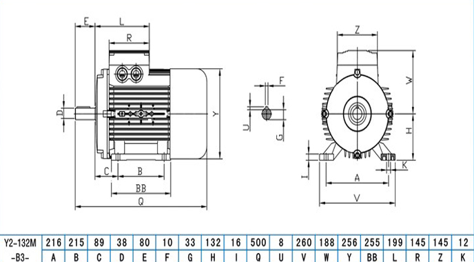
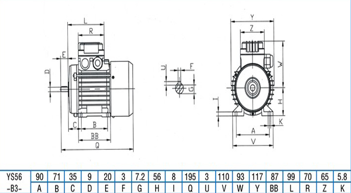
紫光臥式鋁殼三相馬達功率等級覆蓋范圍廣,有9種機座規格;接線座與機體整體鋁合金壓鑄結構,密封性好,完全符合IP54、IP55的外殼防護等級標準;增強散熱筋設計,使機組具備更強的冷卻能力;精確的動平衡校正及專用的低噪聲軸承,使電機動行更加平穩,密封更可靠安全;符合IEC尺寸標準及IM國際安裝結構方式,具備優良的互換性。
材料選用鋁合金外殼,調質處理的40C鋼軸,電磁線采用聚酯QZ-2;聚酰亞胺QY-2;硅鋼片:DR490-510;軸承:C&U;NSK;NTN;SKF
所有通用電機執行統一的制作標準
電機功率等級及尺寸:GB4826-84;GB4772.2-84;IEC72
電氣規范:GB755-87;IEC34-1
結構及安裝型式:GB997-81;IEC34-7
結構特點:
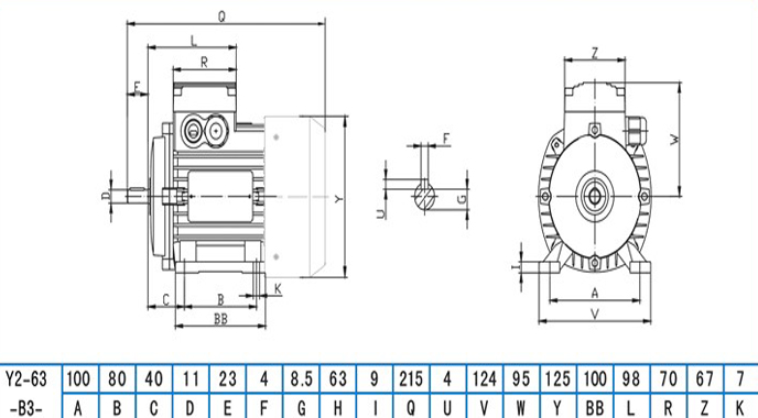
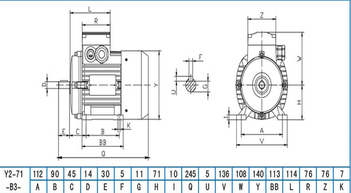
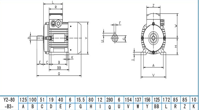
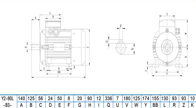
--從0.025KW-7.5KW的功率等級范圍,9種機座規格.
--接線座與機體整體鋁合金壓鑄結構,密封性好,完全符合IP54、IP55外殼防護等級標準.
--增強散熱筋設計,使機組具備更強的冷卻能力.在惡劣的環境下維持電機良好的運行性能.
--精確的動平衡校正及專用的低噪聲軸承,使電機運行更加平衡、靜音.
--提供B級、F級絕緣等級制造.
--預設置的出軸密封裝置,與變速機、減速機配套連接時,密封性能可靠安全.
--符合IEC尺寸標準及IM國際安全結構方式,具備優良的互換性.
統一標準:
所有通用電機執行統一的制作標準:
--電機功率等級及尺寸:GB4826-84;GB4772.2-84;IEC72
--電氣規范:GB755-87;IEC34-1
--結構及安裝型式:GB997-81;IEC34-7
--外殼防護等級:GB4942.1-85;IEC34-5
--冷卻方式:GB/T1993-93;IEC34-6
外殼防護等級:
電機的外殼防護等級表示電機在以下兩個方面的防護能力:
(1)防止人體接觸電機內部帶電或轉動部分和防止固體異物進入電機內部的能力
(2)防止水進入電機內部的能力








