
我公司專業代理臺灣群策品牌系列的油壓馬達,其產品質量更居市場領先地位。此機型安裝方式為臥式,如需要立式安裝方式,可考慮選擇:群策立式三相普通馬達。
群策臥式三相普通電機特點:
1:油壓馬達有內軸形式,可與葉片泵,齒輪泵,潤滑泵等直接相配,緊密配合,無須聯軸器。易裝配,節省空間和成本 。
2:馬達與泵的配合面加工精度高,與泵同軸相配,無須專業人士安裝,運轉平 穩,噪音低,維修方便。
3:可保證系統:省電、小型化、低成本。
4:馬力:1/4-20HP 4-6P
5:油壓直結式馬達 分臥式 立式
標準出軸式馬達 分臥式 立式
群策臥式三相普通電機(//hbjwq8.cn/)是各類振動機械的激振源。廣泛應用于電力 、建材、糧食、煤炭、礦山、冶金、等行業的振動給料機,振動輸送機、振動選礦機、及料倉的振動防堵塞機構等。群策臥式三相普通電機的特點為:激振力與出力配合得當 ,激振力大;機體重量輕;體積小,機械噪聲低,采用強阻型振動,具有穩定的振幅,激振力受電源電壓波動的影響小;全封閉結構 ,可在任何粉塵潮濕條件下工作,可無級調整激振力,維護保養簡單。
1.激振力與出力配合得當:激振力大;機體重量輕;體積小;機械噪音低。
2.采用強阻型振動,具有穩定的振幅。
3.振動頻率可以通過改變極致或調整轉速的辦法進行大范圍的調整并且能按照不同的用途
任意選擇振動頻率和振幅。
4.激振力受電源電壓波動的影響小。
5.全封閉結構,可在任何無防爆要求的粉塵條件下工作。
6.可根據振動電機的安裝方式改變激振力的方向。
7.只須調整偏心塊的夾角,就可無級調整激振力。
8.維護保養簡單。
9規格齊全,能滿足各共振動機械的工作需要。
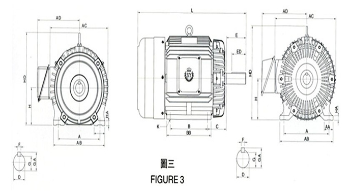
群策臥式三相普通電機圖紙及參數:

