
1采用E級絕緣及高級導電材料,溫升低,壽命長,性能優越
2外型輕巧,堅固耐用
3優越的設計,噪音低,運轉安靜
4 啟動轉矩大,慣性小,運轉順暢,省電效果較佳,馬達強勁有力。
5特性合乎國家CNS及各項國際認證等標準。
6標準IEC公制尺寸,具有互換性,適合各界需要。
1、具有國際互換性:采用IEC制定之國際標準尺寸,具國際互換性。
2、特征優異:由于轉部慣性小,加速轉矩大。
3、振動、噪音小。
4、保養方便:采用高級油封軸承,不須添換潤滑油脂,保養方便
5、小型號輕量:框號降低,體小量輕,節省空間、搬運安裝容易。
6、E/B/F級絕緣材料:采用耐熱、耐溫、耐化學之B/F級絕緣材料,安全耐用,使用壽命長。
7、保護方式:IP54,防壓、防水(濺)、符合國際標準更具安全保障
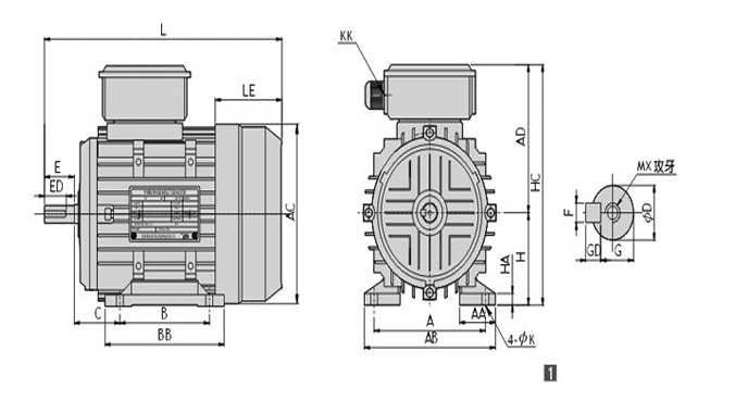
永元臥式三相普通馬達詳細圖:


