
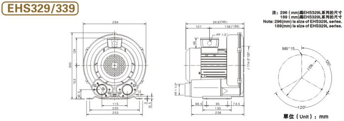
單段鼓風機EHS329/339工作原理離心式風機重量14.5 高壓風機 :采用德國先進技術,在通過加上一體式的銷音設施,改進了高壓風機靜音現像,而提升了靜音的效果2、可靠性高當使用情況變化時,機器仍可安全運轉。除了葉輪之外,高壓鼓風機沒有其他動作,因此可靠性之高幾乎免維修。使用獨一無二且散熱良好的精密外側軸承,因此它具有下列優點:高壓縮比;軸承運轉溫度低;潤滑油脂壽命長;免保養。 3.安裝容易 配備齊全,可隨時安裝與使用,供壓縮空氣或用于抽真空,也可任意安裝于水平或垂直的方向。 4.無油無污染 葉輪旋轉時,不與任何部分零件接觸,免潤滑,因此可保證百分之百無污染。 5.最高品質 經過17年的專業制造經驗,最精密機械設計加上慎重電機配合標準儀器測試,使用所有零件均能達到最高品質要求,運用標準ip54,f級馬達效率高,故障極少,馬達與鼓風機之間有軸封分試,預防異物進入。同時為確保功能效果,每一臺鼓風機在出廠前均經過嚴格測試。 6.電壓:萬國電壓型,50HZ 60HZ均可用,無論您的產品是出口至歐美的使用60Hz,高電壓的國家,還是中東,非洲等使用50Hz電壓的國家及地區,本風機均能達到要求,功能產齊全,讓您無后顧之憂! 適應行業:劍桿織機、絲網印刷機、成像機、照排機、切紙,醫療設備,食品機械,各式燃燒機,鍋爐設備,環保設備,木工機械、除塵設備,pcb設備,除濕干燥機清洗設備,,吸塵設備,公共場所供氧,干洗設備,等等。

