
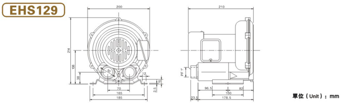
單段鼓風機EHS129特點:
臺灣升鴻高壓鼓風機適用范圍: 產業機械,塑膠機械,印刷機械,照相制版,電器設備,醫療設備,各式燃燒機,鍋爐,環保養殖業等等。
1.安裝容易 高壓鼓風機 配備齊全,可隨時安裝與使用,供壓縮空氣或用于抽真空,也可任意安裝于水平或垂直的方向。
2.可靠性高 與其他廠牌做比較時,在高壓力的范圍堪稱一枝獨秀。因此當使用情況變化時,機器仍可安全運轉。除了葉輪之外, 高壓鼓風機 沒有其他動作,因此可靠性之高幾乎免維修。
設計卓越的升鴻高壓鼓風機 使用獨一無二且散熱良好的精密外側軸承,因此它具有下列優點:高壓縮比;軸承運轉溫度低;潤滑油脂壽命長;保養容易。
3.低噪音 高壓風機低噪音馬達直接運轉,在加上一體式的銷音設施,因此噪音極低。
4.無油無污染 葉輪旋轉時,不與任何部分零件接觸,免潤滑,因此可保證百分之百無污染。
5.最高品質,以臺灣高壓風機公司專業制造經驗,最精密機械設計加上慎重電機配合標準儀器測試,使用所有零件均能達到最高品質要求,運用標準IP54,H級絕緣等級馬達效率極高,故障極少,馬達與鼓風機之間有軸封分離,預防異物進入。同時為確保功能效果,每一臺鼓風機在出廠前均經過嚴格測試。如需在無污染的特殊行業使用,可選擇無油風機。

