
硬齒面減速機JRTS系列齒面為硬齒面,齒輪結構為斜齒輪。斜齒輪--蝸輪蝸桿減速電機。有時也叫硬齒面減速器也減速馬達,有底腳安裝,法蘭安裝等多種安裝方式。硬齒面減速機JRTS系列為最常見的傳動結構。
硬齒面減速機JRTS系列設計方案:
JRTS..D..:底腳安裝斜齒輪--蝸輪蝸桿齒輪減速電機
JRTSF..D..:法蘭盤安裝斜齒輪--蝸輪蝸桿減速電機
JRTSAF..D..:B5法蘭空心軸安裝斜齒輪--蝸輪蝸桿齒輪減速電機
JRTSHF..D..:B5法蘭空心軸鎖緊盤安裝斜齒輪--蝸輪蝸桿齒輪減速電機
JRTSA..D..:空心軸安裝斜齒輪--蝸輪蝸桿齒輪減速電機
JRTSAZ..D..:B14法蘭空心軸安裝斜齒輪--蝸輪蝸桿減速電機
JRTSAZ..D..:B14法蘭空心軸鎖緊盤安裝斜齒輪--蝸輪蝸桿齒輪減速電機
JRTS斜齒輪蝸輪蝸桿減速電機底腳安裝斜齒輪-蝸輪蝸桿齒輪減速電機。有雙軸,單軸,出力法蘭,入力法蘭等。斜齒輪蝸輪蝸桿減速電機產品規格17~187;傳動比1。3~289。74;輸入功率0。12~200KW;輸出轉矩14~62800N . M。共四大系列上千萬種不同的規格、傳動比、聯接方式可供選用.
硬齒面減速機JRTS系列使用說明:
1.1安裝注意事項
11.1 減速機須安裝在平整堅固的底座上,底腳螺栓必須緊固、防震。
1.2使用注意事項
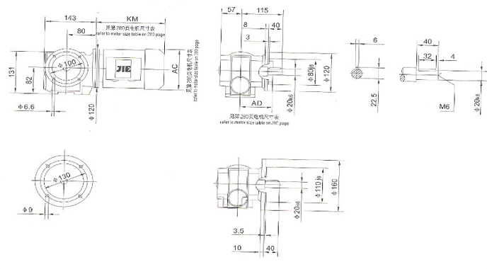
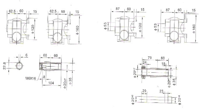
硬齒面減速機JRTS系列詳細圖紙: