
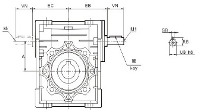
蝸輪蝸桿減速機JRST..-W系列帶一入力軸,采用法蘭安裝方式,此法蘭為方形法蘭,電機法蘭多為圓形,購買蝸輪蝸桿減速機JRST..-W系列時需要確認自己的其它設備是否為這樣的安裝方式。有時也叫其蝸輪蝸桿減速器或蝸輪蝸桿減速箱。
蝸輪蝸桿減速機JRST..-W系列詳情:
1. 產品定位等同于MOTOVARIO產品質量。
2. 箱體采用優質鋁合金壓力鑄造,強度高。
3. 減速機蝸桿采用全功能數控車床加工蝸桿齒坯,優質低碳合金鋼滲碳淬火,確保齒坯加工精度和蝸桿強度。
4. 減速機采用歐洲技術,結構緊湊,體積小,重量輕,噪音低,效率高,承載能力大。
5. 減速機具有多種聯接結構和安裝方式,通用性強。
蝸輪蝸桿減速機JRST..-W系列維護說明:
一:安裝
1:減速機入力軸直接與馬達連接時,應采彈性連軸器,出力軸直接與工作機連接時,宜采用齒輪連軸器。
2:減速機應安裝在穩固的基礎座,且須注意空氣流通及換油時,注油及洩油之方便性。
3:減速機入力軸及馬達出力軸之中心必須對準確,誤差不得大于所用連軸器之允許值。
4:減速機安裝后,用手轉動需靈活,不可有卡死現象。
5:減速機安裝好,使用前應先進行空負荷運轉,確定機器各部分都無異狀后,方可正式使用,如有故障應先排除。
二:潤滑。
1. 新減速機使用時,在運轉300小時后,需要換新油,其后每使用2500小時需換油;但在使用過程中仍應定期檢查油的質量,若油有雜質,老化,變質情況,必須隨時更換。
2. 減速機應使用固定品牌,號碼之齒輪油,不應將不同品牌,號碼或不同類型的油相混合使用。
3. 在換油過程中,應先將減速機內部清除干凈,再注入新油。
4. 在使用期間,當發現油溫過高(超過80。C以上)時,以及有不正常的噪音等現象,應立即停止使用,對其原因進行檢查。等排除故障或更換潤滑油后,才可以繼續使用。
5. 推薦用油:ISO HD—460極壓機油或中油HD—320之極壓機油,或中油90#多效齒輪油。
三:檢修
1. 減速機應定期檢修,發現異狀或有顯著磨損,必須立即采取有效措施制止,使用零件之材質,精度亦須按照標準制造。更新零件手,應先進行空負荷運轉,確定正常后再正式使用。使用單位應建立合理的維護制度,封減速機的使用狀況及檢修中發現的問題做仔細記錄。
蝸輪蝸桿減速機JRST..-W系列詳細參數:

