
蝸輪蝸桿減速機JRSTD..-U系列為杰牌減速機有限公司產品,其公司的各種蝸輪蝸桿減速器或蝸輪蝸桿減速箱以其一流的生產管理技術贏得了客戶的一致好評。此蝸輪蝸桿減速機JRSTD..-U系列為法蘭底腳安裝方式
蝸輪蝸桿減速機JRSTD..-U系列產品詳情:
1. 采用優質鋁合金壓鑄造箱體,外形輕巧美觀、結構緊湊、體積小、重量輕,節省安裝空間,不易銹蝕。
2. 散熱性能好,安全可靠,效率高。
3. 承載超載能力強,傳動平穩,振動小、噪聲低。
4. 具有動力輸入及轉矩輸出的多種聯接結構,滿足各種聯接需要;箱體外形設計及底腳孔設置布局適應多種安裝方式,通用性強。
5. 中小型箱體為全封閉結構,密封性強,箱體內潤滑油不易損耗變質,不需更換,便于維護保養。
蝸輪蝸桿減速機JRSTD..-U系列減速機附加說明:
1. 具有公制IEC及美制NEMA兩種馬達法蘭規格。
2. 減速比范圍5:1到3600:1。
3. 使用馬力范圍小至1、4HP。大至100HP。
4. 使用高品質雙唇油封。
5. 蝸桿采用S
6. 300型(含)以上,蝸桿采用
7.蝸輪材質采用高品質之ALBC3 鋁青銅具最佳耐磨性。
8.機體外殼采高強度之FC—20灰口鑄鐵。
9.300型(含)以上機體外殼采更高強度之FCD45球狀石墨鑄鐵。
10.入力軸承使用圓錐滾子軸承。
11.萬向型具活動式底座。
12.工業用負載型使用壽命長。
13.一年使用保修。
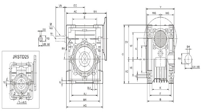
蝸輪蝸桿減速機JRSTD..-U系列詳細參數:

