
蝸桿減速機也叫蝸桿減速器或蝸桿減速馬達,屬于中空鋁殼減速機種類之一,為國內減速機第一品牌杰牌減速機公司產品,是國內最早的蝸桿減速機廠家之一,此蝸桿減速機JRST系列為蝸輪蝸桿結構。
蝸輪蝸桿減速機:功率0,12-160KW;減速比1,35-14340,3;扭矩到300NM;規格16輸入和輸出軸在同一條直線上。地腳安裝和法蘭安裝形式可以滿足不同的固定要求,法蘭也是一天SUO造的法蘭。這種設計確保了箱體的強度。斜齒輪平行軸輸出減速機:功率0,12-200KW;減速比4,03-6616,79;扭矩到90000NM;
蝸桿減速機JRST系列安裝說明:
1.1安裝注意事項
11.1 減速機須安裝在平整堅固的底座上,底腳螺栓必須緊固、防震。
1.1.2 原動機--減速機--工作機的各聯接軸伸.安裝后必須互相準確對準軸線。
1.1.3 減速機輸入端及輸出端軸伸外徑尺寸公差均按h6制作.與之相配的聯軸器、皮帶輪、鏈輪等傳動件內孔須按合適的尺寸公差配制,避免裝配過緊損壞軸承.裝配過松影響正常動力傳遞。
1.1.4 鏈輪、齒輪等傳動件裝上軸伸時.應盡量靠近軸承.以減少軸伸彎曲應力。
1.1.5 WPD型減速機裝配電機時,應在蝸桿頭部內孔孔壁及鍵槽處涂抹黃油.避免裝配過緊.防止軸孔日久生銹。
1.1.6 訂購使用各類WPD減速機時.若電機重量偏大.應設支撐裝置。
1.2使用注意事項
1.2.1 使用前應注憊檢查減速機型式結構、中心距規格、傳動比、拍入軸連接方式、輸出軸結構、輸入軸輸出軸軸指向和回轉方向等是否符合使用要求。
1.2.2 按照樣本上“油品潤滑”中所規定的要求,注入合適的品種牌號潤滑油。加油后,旋緊頂部的通氣器,拔掉通氣器上之小錐塞.減速機方可開始運轉.必須選用合適牌號的潤滑油.必須控制適宜的加油量。必須按規定要求及時換油.尤其要重視首次使用100小時后的更換新油。
1.2.3 使用過程中發生不正常情況時.應及時停機檢查,可參照“故障分析’表處理。(減速機的油溫最高允許達到95℃.在此溫度界限下.只要油溫不再上升.可以放心使用)。
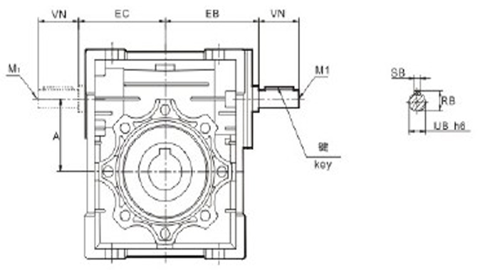
蝸桿減速機JRST系列剖面圖:


