
1、低噪音設計:使用高精度的螺旋齒輪并配合油封、O型環的密封齒輪箱、廠內測量證明比起以往的產品噪音降低10-15分貝。
2、小型高功率:在提高齒輪模件、材質、軸承強度的同時,取消輸出。本業界首次研制成功截面尺寸90mm上的最大容許軸轉矩為300kg.cm(S型)。
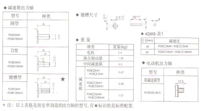
3、豐富的型號:截面尺寸范圍由42mm(1W)至90mm(90W),馬達的種率也有感應式、可逆式、三相、變速及附帶電磁制動器馬達等型號豐富的機種。
4、耐用壽命長、長壽命:齒輪箱采用油封、O型環等先進密封結構設計,此外,采用潤滑脂浴潤滑方式,防止無潤脂狀態,大大提高了使用壽命。
5、分別出售馬達和齒輪頭:可以分別銷售馬達和齒輪頭,從而使多種馬達和齒輪頭能夠任意配合使用。
注:本電機使用范圍廣泛,功率齊全,定速運行。本電機亦可反方向運行,但其必須在電機完全停止運行后才能進行下一個動作,即可繼續朝一個方向運行,也可作反方向運行;所以,如果你的產品不需要電機在運行完一個動作后很快或瞬間進行反方向運行的話,請選擇本款電機。



