
蝸輪絲桿減速機JRSS-T系列具有起升、下降及借助輔件推進、翻轉及各種高度位置調整等諸多功能.SWL蝸輪絲桿升降機是一種基礎起重部件,具有結構緊湊、體積小、重量輕、動力源廣泛、無噪音、安裝方便、使用靈活、功能多、配套形式多、可靠性高、使用壽命長等許多優點。
蝸輪絲桿減速機JRSS-T系列產品特點:產品規格35~150L , 傳動比5~40; 輸入功率:0.19~16.3KW; 起升為500~26050Kg .共10大規格280種型式可供選用,滿足用戶需求。 產品定位:等同于臺灣晃益產品質量,渦輪采用優質錫青銅精密鑄造,確保蝸輪強度。渦輪采用高精度數控滾齒機滾齒,確保蝸輪加工精度。產品結構緊湊,體積小,安裝方便。精密強度高,可靠度強,壽命長。功能多樣化:具有起升、下降及借助輔助件推進、翻轉等多種功能.
蝸輪絲桿減速機JRSS-T系列使用說明:
1.1安裝注意事項
11.1 減速機須安裝在平整堅固的底座上,底腳螺栓必須緊固、防震。
1.2使用注意事項
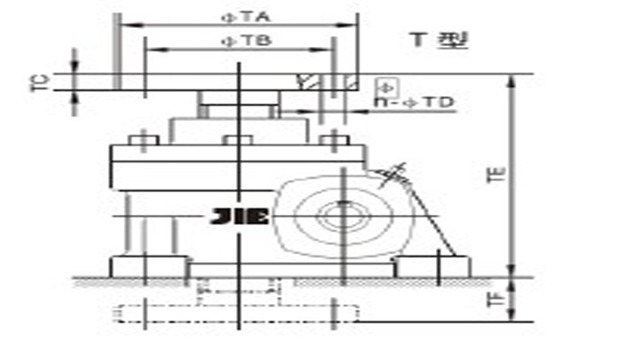
蝸輪絲桿減速機JRSS-T系列詳細圖紙:

與此型號類似的蝸輪絲桿減速機還有:蝸輪絲桿減速機JRSS-R系列。
深圳蒲江機電專業銷售各種齒輪減速機,減速電機,歡迎各位新老客戶咨詢洽談。