
DS心軸分割器用途:專用于模切機行業的1工位間歇分割器轉速高,運轉平穩,壽命長,已是全國模切機行業間歇分凸輪間歇機構。主要應用在制藥機械、紙制品成型機械、印刷機械、食品包裝機械、玻璃機械、陶瓷機械、制藥機械,噴涂設備,自動送料,機床加工中心,電光源專用設備等多種領域需要把連續運動轉化為步進動作的各種自動化機械上。
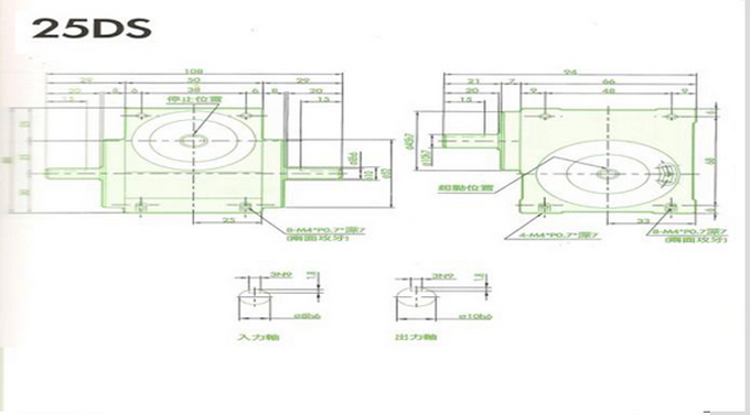
心軸型凸輪間歇分割器:此系列機種為典型傳統心軸造型,其安裝配件之加工安裝配合齒輪、聯軸或聯軸盤,需特別注意孔徑公差(+0.015/-0)及鍵槽公差(+0.015/-0),其使用場合在輸送帶驅動、齒輪驅動、無間隙聯軸器結合驅動居多。 心軸型凸輪間歇分割器的規格型號有:心軸型45DS,心軸型60DS,心軸型70DS,心軸型80DS,心軸型83DS心軸型, 100DS,心軸型110DS心軸型,125DS心軸型,140DS心軸型150DS,心軸型180DS,心軸型200DS
1.特點:
⑴.結構簡單,主要由凸輪和分度輪兩部分組成。
⑵.動作準確,無論在分度區,靜止區,都有準確的定位自鎖,實現確定的動靜比和分度比.
⑶.傳動平穩:凸輪曲線的運動特性好,傳動光滑連續,振動小,噪聲低。
⑷.輸出分度精度高:一般輸出精度≤±30",精密可達≤±15"。
⑸.高速性能好.
該種類型的分割器由于精度高、速度快、扭矩大、體積小等顯著特點,在各種需要步進驅動的自動機械上應用非常廣泛,如制藥機械、煙草機械、印刷機械、食品包裝機械、機床加工中心等






